Custom Products for the Analog & Digital Radio Amateur Enthusiast
  Print this Page

FMDM-150M Deviation Meter
Product Support Documentation

Analog Measurement Unit (AMU)
For Analog & Digital Two-Way Radio Applications



Top side of FMDM-150M Analog Measurement Unit (AMU) circuit board - shown slightly enlarged.
(Click photo to show a larger image)

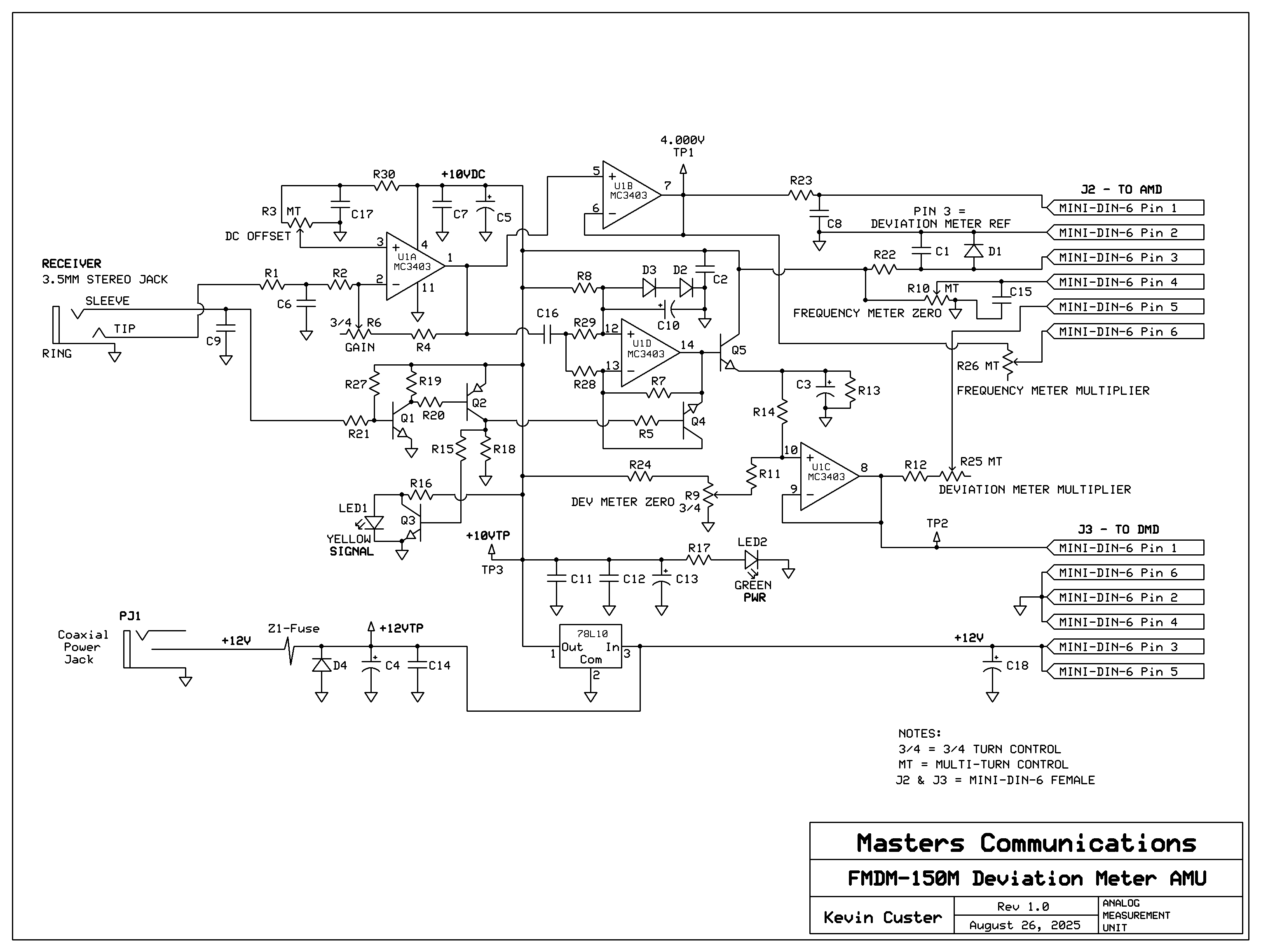
Schematic Image - Click to download a high quality PDF.


Overview of FMDM-150M Analog Measurement Unit (AMU)
The Analog Measurement Unit is the heart of the deviation meter. It is constructed to be rugged, practical, accurate, and inexpensive. The Analog Measurement Unit (AMU) is based on a construction article that appeared on the Repeater Builder website some time ago. It comes supplied in an all aluminum case that is available in three colors - black, red, and blue. It has been duplicated many times and has stood the test of time. The FMDM-150M AMU is a variation of this circuitry and includes some things that were not included in the original article / concept. One is squelch circuitry to keep the needle on the analog deviation meter from slamming on the absense of a signal sufficient to open the squelch. The noise from a receiver's FM discriminator is considerably greater than valid signals / tones / voice energy, and will pin the meter with the absense of a signal.

The scanner is modified to additionally bring the squelch status logic to the AMU and used to mute the AC coupled deviation measurement signal path. The DC path is not squelched so the frequency error meter and oscilloscope oututs are active all the time. The second is the frequency error meter - with more detail on it provided below under the analog meter panel section. The third is the use of multiturn pots for greater operating stability and easier calibration.

The original circuitry was driven by a legacy Radio Shack PRO-2012 scanner that uses a different I-F / demodulator that chip (TK10420) which has a different output level and biasing point as compared to the Uniden Bearcat BC355N. The latter uses a NJM2552 demodulator chip. That requires the AMU to be calibrated using a different method, and results in an oscilloscope output that is 100mV per kHz of deviation instead of 150mV/kHz that's stated in the original article . This doesn't change the accuracy, it just changes the way the unit is calibrated - insuring measurement accuracy. The AMU's component values are chosen to work with the Bearcat BC355N. This also means the AMU (as supplied) will not work with a Radio Shack PRO-2021 scanner. With 100mV / kHz of deviation, the math is simple for reading deviation directly with an oscilloscope. 500mV P-P equals 5kHz deviation.

The circuit board for the analog measurement unit has all of the adjustments on it to provide proper calibration. The front panel has a coaxial DC connection for the supply of power, and two LEDs to indicate power and squelch status. The rear panel has two Mini-DIN-6 female connectors to route signals to the meter displays, and a 3.5mm stereo jack to input discriminator audio and squelch logic from the scanner / receiver.

Parts List:
If you purchased our kit, refer to the parts list and make sure you have all of the components you need to build it.
Click here for Parts List.

Construction/Assembly:
Click here for assembly instructions and construction notes - with large photo.

Installation:
This device is intended to be installed beside the scanner and connected with short male to male stereo cable and (2) male to male Mini-DIN-6 cables to the display(s).

Calibration:
A complete calibration procedure is available from the Calibration Article.

Secure PayPal ordering is available on the FMDM-150M main page.

Email Kevin Custer for support, ordering information, order by check, or support of this exciting product.
 
 

Product of Masters Communications, all rights reserved.
Specifications may change without notice.
Images property of Kevin Custer - W3KKC
Board layout by Kevin Custer - W3KKC.
HTML December 7, 2025, W3KKC All Rights Reserved!